Click on the picture image to send the IMAGE URL back to the referring screen.

Sort by:

Display by picture type:  [CARS(default)]  [PERSONAL]  [TECHNICAL]  [CLASSAD]  [STANDBYV]


Welcome to the gallery. All exhibits are volunteered by users.

There are 14003 total exhibits.

[ADD A NEW EXHIBIT]

Search criteria: pix_type=TECHNICAL. [CLEAR]
Showing 1221 through 1240 of 14003 matching exhibits.
<< <prev 57 58 59 60 61 62 63 64 65 66 67 68 69 70 71 72 73 74 75 76 77 next> >>

Ronal r7a

Volvo  -- Ronal r7a
POSTED BY
Mparis[SHOW ALL]
DATE
HTML
CITY
Miami
STATE
FL
COUNTRY
US

door handle, S90

Volvo  -- door handle, S90
POSTED BY
GAcyclops[SHOW ALL]
DATE
HTML

940 ICV from LH2.4 manual

Volvo 900 -- 940 ICV from LH2.4 manual
POSTED BY
amarin[SHOW ALL]
DATE
HTML
COUNTRY
MY

Thermostat stuck open

Volvo 900 -- Thermostat stuck open
POSTED BY
DrCheap[SHOW ALL]
DATE
HTML
CITY
Columbia
STATE
SC
COUNTRY
US
NOTE
Thermostat pulled from a 1994 940 turbo, not closing all the way.

Expansion tank 940/960/s90/v90

Volvo 900 -- Expansion tank 940/960/s90/v90
POSTED BY
DrCheap[SHOW ALL]
DATE
HTML
CITY
Columbia
STATE
SC
COUNTRY
US
NOTE
Expansion tank with broken bottom nipple from 1994 volvo 940

1993 240 A/C original orifice valve

Volvo 200 -- 1993 240 A/C original orifice valve
POSTED BY
krenekj[SHOW ALL]
DATE
HTML
CITY
Portland
STATE
OR
COUNTRY
US
NOTE
This was pulled from the A/C system during repairs. The system had multiple leaks and I believe this is the original orifice tube.

Shift Control - temp fix

Volvo 200 -- Shift Control - temp fix
POSTED BY
Andrew in AL[SHOW ALL]
DATE
HTML
STATE
AL
COUNTRY
US
NOTE
No parts; too cold right now anyway. Bushings added to push the switch to the left a bit.

LED Plug & Play

Volvo  -- LED Plug & Play
POSTED BY
aleekat[SHOW ALL]
DATE
HTML
CITY
clarksville
STATE
TN
COUNTRY
US

140/160 Rear Headrest Accessory

Volvo 140-160 -- 140/160 Rear Headrest Accessory
POSTED BY
Gary L[SHOW ALL]
DATE
HTML
CITY
Dexter
STATE
KS
COUNTRY
US
NOTE
Rear headrests as shown in 1970 dealer accessories catalog.

Headrest

Volvo 140-160 -- Headrest
POSTED BY
Brandonium[SHOW ALL]
DATE
HTML
CITY
Birmingham
STATE
AL
COUNTRY
US

DRIVERS SIDE TAILLIGHT

Volvo 200 -- DRIVERS SIDE TAILLIGHT
POSTED BY
85blkbrick[SHOW ALL]
DATE
HTML
CITY
Babylon
STATE
NY
COUNTRY
US

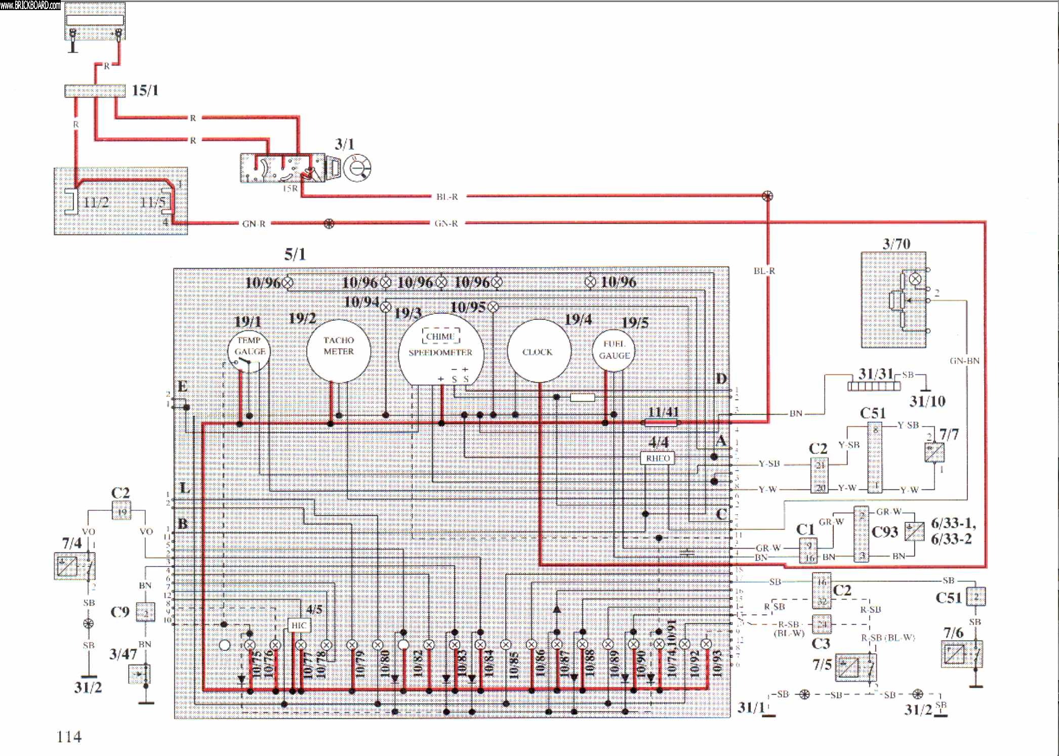
Rheostat 940 1994

Volvo 900 -- Rheostat 940 1994
POSTED BY
amarin[SHOW ALL]
DATE
HTML
COUNTRY
MY

122S Rear Brake Drum Puller

Volvo 120-130 -- 122S Rear Brake Drum Puller
POSTED BY
TR Conn[SHOW ALL]
DATE
HTML
CITY
Long Beach
STATE
CA
COUNTRY
US
NOTE
Ran across this idea on the net. Works great! No easier than the "official" drum puller. But a heck of a lot cheaper, I already had the bottle jack and picked up 5 ft of chain.

Green Slime and Coolant Loss

Volvo 900 -- Green Slime and Coolant Loss
POSTED BY
MVO[SHOW ALL]
DATE
HTML
CITY
Middletown
STATE
NY
COUNTRY
US

1978 Volvo 242 DL (named Rocinante)

Volvo 200 -- 1978 Volvo 242 DL (named Rocinante)
POSTED BY
xanadu[SHOW ALL]
DATE
HTML
CITY
North Kingstown
STATE
RI
COUNTRY
US
NOTE
Hi, I have a '78 242 DL coupe. It has the original wheels with small chrome hub cap. I'm interested in having an alternative set of tires for a few reasons. First, the car is an automatic and really falls off at around 55mph. I understand that slightly larger tires might improve the ride at higher speeds (although marginally). Second, I live in new England and would like to have an extra set of snow tires. I came upon a listing on Craigslist for a set of four Virgo wheels from an '81 245 GLT. They have General Altimax HP tires on them ( 165/95 R 15 91H)with low mileage. Does anyone know if this combination will work for me or how I might best find out if they will before I commit to buying them? I'm still on the steeper end of the learning curve how to best keep this car around for another thirty years and would appreciate any guidance you guys might have. Thanks.

1978 Volvo 242 DL (named Rocinante)

Volvo 200 -- 1978 Volvo 242 DL (named Rocinante)
POSTED BY
xanadu[SHOW ALL]
DATE
HTML
CITY
North Kingstown
STATE
RI
COUNTRY
US
NOTE
I've named my car Rocinante.

1992 740 wagon, Base, natural aspiration, Cali

Volvo 700 -- 1992 740 wagon, Base, natural aspiration, Cali
POSTED BY
Klaus Ultima[SHOW ALL]
DATE
HTML

Unusual water pump pulley design #2

Volvo 850 -- Unusual water pump pulley design #2
POSTED BY
Ken Temkin[SHOW ALL]
DATE
HTML
CITY
Highland Park
STATE
IL
COUNTRY
US

Unusual water pump pulley design #1

Volvo 850 -- Unusual water pump pulley design #1
POSTED BY
Ken Temkin[SHOW ALL]
DATE
HTML
CITY
Highland Park
STATE
IL
COUNTRY
US
NOTE
Note missing pulley teeth--manufactured that way.

740 Non Turbo Wagon Head

Volvo 700 -- 740 Non Turbo Wagon Head
POSTED BY
Klaus Ultima[SHOW ALL]
DATE
HTML
NOTE
Piston Crowns
Search criteria: pix_type=TECHNICAL. [CLEAR]
Showing 1221 through 1240 of 14003 matching exhibits.
<< <prev 57 58 59 60 61 62 63 64 65 66 67 68 69 70 71 72 73 74 75 76 77 next> >>


©Jarrod Stenberg 1997-2022. All material except where indicated.


All participants agree to these terms.

Brickboard.com is not affiliated with nor sponsored by AB Volvo, Volvo Car Corporation, Volvo Cars of North America, Inc. or Ford Motor Company. Brickboard.com is a Volvo owner/enthusiast site, similar to a club, and does not intend to pose as an official Volvo site. The official Volvo site can be found here.