Click on the picture image to send the IMAGE URL back to the referring screen.

Sort by:

Display by picture type:  [CARS(default)]  [PERSONAL]  [TECHNICAL]  [CLASSAD]  [STANDBYV]


Welcome to the gallery. All exhibits are volunteered by users.

There are 14003 total exhibits.

[ADD A NEW EXHIBIT]

Search criteria: pix_type=TECHNICAL. [CLEAR]
Showing 1501 through 1520 of 14003 matching exhibits.
<< <prev 71 72 73 74 75 76 77 78 79 80 81 82 83 84 85 86 87 88 89 90 91 next> >>

Early Volvo Wiper Fin

Volvo 140-160 -- Early Volvo Wiper Fin
POSTED BY
getback[SHOW ALL]
DATE
HTML
CITY
Nashville
STATE
TN
COUNTRY
US
NOTE
What purpose did this fin-like wiper attachment serve? Was it Volvo's air-assisted wipers?

Turn Signal Switch Repair

Volvo  -- Turn Signal Switch Repair
POSTED BY
chrism[SHOW ALL]
DATE
HTML
STATE
TX
COUNTRY
US

Turn Signal Switch Repair

Volvo  -- Turn Signal Switch Repair
POSTED BY
chrism[SHOW ALL]
DATE
HTML
STATE
TX
COUNTRY
US

Volvo OEM Arm Rest

Volvo 140-160 -- Volvo OEM Arm Rest
POSTED BY
getback[SHOW ALL]
DATE
HTML
CITY
Nashville
STATE
TN
COUNTRY
US
NOTE
Not sure about the years this fits but maybe somebody can figure it out. I think it's a 164 armrest.

Differential fill method

Volvo 900 -- Differential fill method
POSTED BY
javalion[SHOW ALL]
DATE
HTML
STATE
NC
COUNTRY
US
NOTE
Quart differential bottle and tubing.

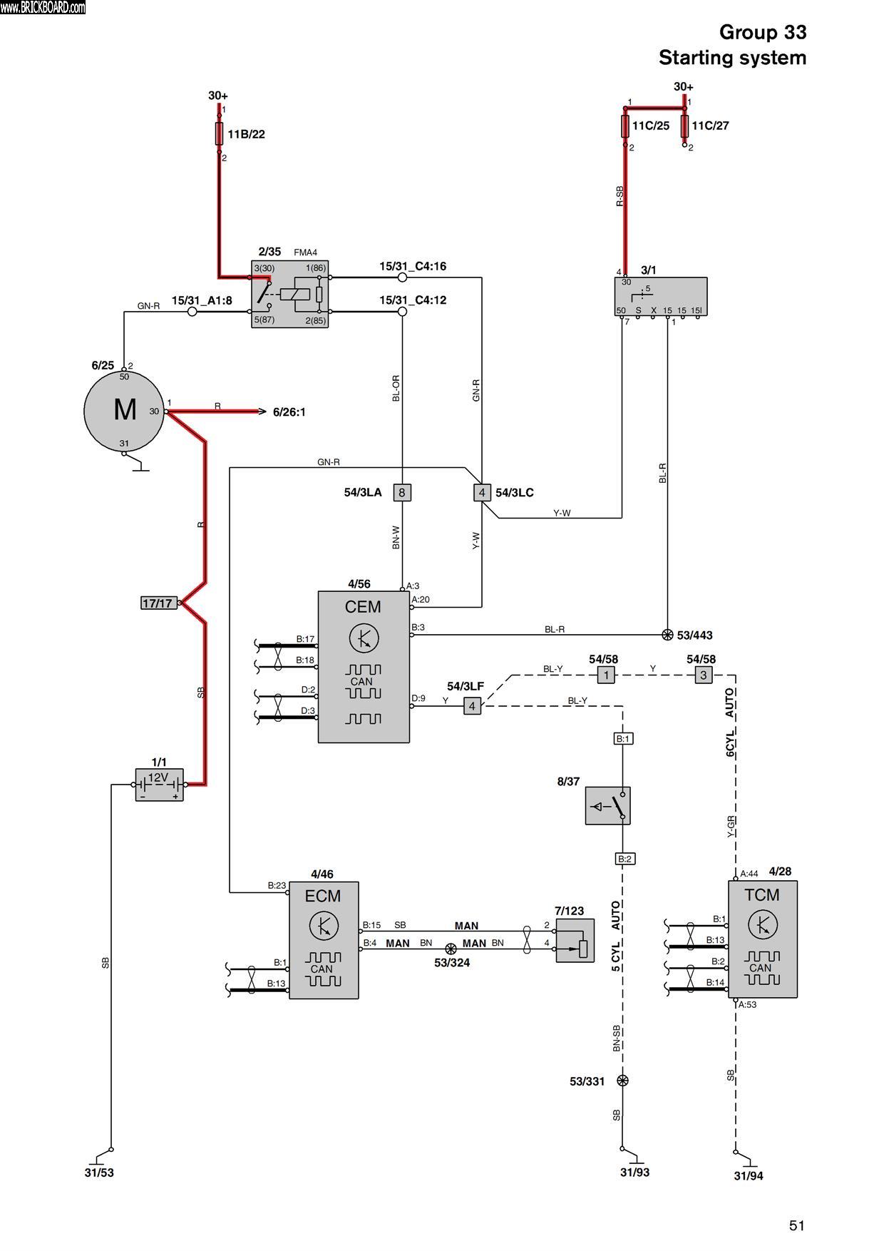
S60 starter diagram

Volvo S60 -- S60 starter diagram
POSTED BY
ridetoslide[SHOW ALL]
DATE
HTML
CITY
Rolling Prairie
STATE
IN
COUNTRY
US

Tachometer plug rapid prototype file

Volvo 200 -- Tachometer plug rapid prototype file
POSTED BY
strongcraig[SHOW ALL]
DATE
HTML
CITY
Autaugaville
STATE
AL
COUNTRY
US
NOTE
Needed a plug for my the hole in my cluster not filled by the Tach. Made one on 3D printer at the office. File here: http://www.shapeways.com/model/763072/volvo_240_tachometer_plug.html?key=24c7857475fa518e9da4487358a8e262

Radiator #4

Volvo 200 -- Radiator #4
POSTED BY
leugim[SHOW ALL]
DATE
HTML
CITY
Westminster
STATE
MD
COUNTRY
US
NOTE
This pick and pull radiator lasted 2½ months. Which was longer than the 2 "new" Ready Rads from Advance Auto. Both of those leaked at the tranny line connections at the screw-in nipples. I just ordered a Nissens from FCP Groton, they happen to be on generator power at the warehouse with phone reps working remotely from their homes following Sandy.

Camshaft Seal

Volvo 900 -- Camshaft Seal
POSTED BY
rparkerm[SHOW ALL]
DATE
HTML
CITY
Saginaw
STATE
TX
COUNTRY
US
NOTE
Which side faces in? I think this is the cam shaft seal. It is U-shaped in cross-section. The interior has a steel spring in it. I am assuming the spring side is installed so that the spring is no longer visible.

Rear view of the camshaft

Volvo 900 -- Rear view of the camshaft
POSTED BY
rparkerm[SHOW ALL]
DATE
HTML
CITY
Saginaw
STATE
TX
COUNTRY
US

Duncans Volvo - Camshaft Seals

Volvo 900 -- Duncans Volvo - Camshaft Seals
POSTED BY
rparkerm[SHOW ALL]
DATE
HTML
CITY
Saginaw
STATE
TX
COUNTRY
US

Interior tailgate plastic trim

Volvo 200 -- Interior tailgate plastic trim
POSTED BY
Epic2112[SHOW ALL]
DATE
HTML
CITY
Silver Spring
STATE
MD
COUNTRY
US
NOTE
Interior tailgate plastic trim

1991 Volvo 240 Right Front Speaker

Volvo  -- 1991 Volvo 240 Right Front Speaker
POSTED BY
kittysgreyvolvo[SHOW ALL]
DATE
HTML
CITY
Blaine
STATE
WA
COUNTRY
US
NOTE
I removed the front Volvo HT-204 factory housing and speakers and the rear speakers and housing from my 1991 240 in 2004 or so with the 4" Infinity speakers. The 1991 240 had the Volvo TD-613 factory radio head unit and the factory 20 x 4 amp. These speakers are a tremendous improvement. I used hand tools to remove materials from the infinity speaker mounts and they sit perfectly in the inner door panel recess. The stereo set up in this 240 is the same except the TD-613 cassette radio failed a year later. So, some years ago I wired up a harness to connect the output from a portable music player, like a portable CD player or mp3 player into the factory amp. The factory amp, being made by Alpine in 1991 really needs some olskool auto stereo line level voltages; perhaps 2.5 volts or better? I'll keep the Infinity speakers and the factory harness and wire something in better sometime in the future, like after I have a technical writer job again. Ho-ho.

1992 Volvo 240GL - Power Antennae Switch

Volvo  -- 1992 Volvo 240GL - Power Antennae Switch
POSTED BY
kittysgreyvolvo[SHOW ALL]
DATE
HTML
CITY
Blaine
STATE
WA
COUNTRY
US
NOTE
I've had this Volvo 240 power antennae switch for over two decades. Found in a St. Louis or SF Bay Area or Portland yunkyard. I wired the switch into the Sony CDX-4160 power antenna / remote amplifier section of the harness. So, when listening to CDs, the power aerial goes down. Don't forget to keep the aerial clean and lubed!

1992 Volvo 240GL - Sony CDX-4160 CD Receiver

Volvo  -- 1992 Volvo 240GL - Sony CDX-4160 CD Receiver
POSTED BY
kittysgreyvolvo[SHOW ALL]
DATE
HTML
CITY
Blaine
STATE
WA
COUNTRY
US
NOTE
I found this Sony CDX-4160 CD Receiver in the local yunkyard for 21$. Works! I dissembled the unit, cleaned the CD mechanism including the laser LED lens and lubed the CD inject/eject mechanism. FM and AM reception is very sensitive with good quieting. I was able to use the radio chassis hanger under the dash cap to support the chassis weight (versus letting the radio chassis weight rest and chafe on the center vents under the radio). Just watch the bolt ingress length! 6mm max! Building out the wire harness was a real bad word since the 1992 Volvo 240 GL factory harness was utterly shredded from the two or three auto stereo installs that tore up the auto wire harness and all four speaker mounting holes (both front doors, rear hat shelf). The Sony CDX-4160 had four RCA line level RCA output jacks. I may install speakers in the rear door and rear hat shelf tweeter. The Alpine 5.25" SPS speakers on the rear hat shelf are somewhat muted at the high end.

1992 Volvo 240GL Left Front Speaker - 2

Volvo  -- 1992 Volvo 240GL Left Front Speaker - 2
POSTED BY
kittysgreyvolvo[SHOW ALL]
DATE
HTML
CITY
Blaine
STATE
WA
COUNTRY
US
NOTE
Found these Lightning Audio brand speakers in a late 1980s 240 from the yunkyard. Removed back plate and grille material to recess into the front door inner panel profile. The back plate and speaker are secured to the inner door panel fiber board material and NOT the sheet metal underneath. The installation successfully transmits speaker resonance without vibration. Used a dremel to remove the material. Not a very good job on the plastic.

1992 Volvo 240GL Left Front Speaker - 1

Volvo  -- 1992 Volvo 240GL Left Front Speaker - 1
POSTED BY
kittysgreyvolvo[SHOW ALL]
DATE
HTML
CITY
Blaine
STATE
WA
COUNTRY
US
NOTE
Found these Lightning Audio brand speakers in a late 1980s 240 from the yunkyard. Removed back plate and grille material to recess into the front door inner panel profile. The back plate and speaker are secured to the inner door panel fiber board material and NOT the sheet metal underneath. The installation successfully transmits speaker resonance without vibration. Used a dremel to remove the material. Not a very good job on the plastic.

1992 Volvo 240GL Right Rear Speaker

Volvo  -- 1992 Volvo 240GL Right Rear Speaker
POSTED BY
kittysgreyvolvo[SHOW ALL]
DATE
HTML
CITY
Blaine
STATE
WA
COUNTRY
US
NOTE
Right rear Alpine SPS model 5.25" speaker. Used the Volvo M4 hardware (allen head bolt and speaker clips) to secure to rear hat shelf fiber board material (not sheet metal underneath). Used butyl rubber to dampen vibratiopn while enhancing speaker resonance through car body (as much as a 5.25" woofer can perform). You'll note the hardware use to secure the rear hat shelf to the car body to the three rear supports and the two holes at front and center of rear hat shelf. Head rests removed for photo.

Turbo

Volvo  -- Turbo
POSTED BY
javalion[SHOW ALL]
DATE
HTML
STATE
NC
COUNTRY
US

780 nivo

Volvo  -- 780 nivo
POSTED BY
cotosm33[SHOW ALL]
DATE
HTML
CITY
brooklyn
STATE
CT
COUNTRY
US
NOTE
trying to figure out where to access top bolt for 1989 bertone nivomat replacement.
Search criteria: pix_type=TECHNICAL. [CLEAR]
Showing 1501 through 1520 of 14003 matching exhibits.
<< <prev 71 72 73 74 75 76 77 78 79 80 81 82 83 84 85 86 87 88 89 90 91 next> >>


©Jarrod Stenberg 1997-2022. All material except where indicated.


All participants agree to these terms.

Brickboard.com is not affiliated with nor sponsored by AB Volvo, Volvo Car Corporation, Volvo Cars of North America, Inc. or Ford Motor Company. Brickboard.com is a Volvo owner/enthusiast site, similar to a club, and does not intend to pose as an official Volvo site. The official Volvo site can be found here.