Click on the picture image to send the IMAGE URL back to the referring screen.

Sort by:

Display by picture type:  [CARS(default)]  [PERSONAL]  [TECHNICAL]  [CLASSAD]  [STANDBYV]


Welcome to the gallery. All exhibits are volunteered by users.

There are 14003 total exhibits.

[ADD A NEW EXHIBIT]

Search criteria: pix_type=TECHNICAL. [CLEAR]
Showing 1921 through 1940 of 14003 matching exhibits.
<< <prev 92 93 94 95 96 97 98 99 100 101 102 103 104 105 106 107 108 109 110 111 112 next> >>

2004 S60R PCV job

Volvo  -- 2004 S60R PCV job
POSTED BY
woofpack4[SHOW ALL]
DATE
HTML
CITY
Vista
STATE
CA
COUNTRY
US
NOTE
Getting ready to replace PCV on the girl; removed strut brace, OE pipe, ignition coil cover, fuel rail cover, disconnected ignition coil wire.

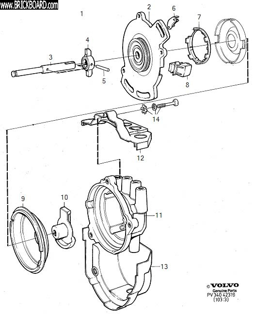
960 Ignition Distributor (1991-1993) 700 900

Volvo 900 -- 960 Ignition Distributor (1991-1993) 700 900
POSTED BY
740_dan[SHOW ALL]
DATE
HTML
CITY
Portland
STATE
OR
COUNTRY
US
NOTE
Looks the same on my 1986 740 Turbo No. Part No. 1 1336087 Distributor 1 1336132 Distributor 1 8603280 Distributor, exch 5 1389935 Locking pin 6 1346792 Impulse sensor 7 1346794 Retainer 8 1346793 Housing 9 1346789 Condensation trap 10 1346787 Distributor arm 11 1346788 Distributor cap 14 3501194 Repair kit

740 Power steering hose

Volvo 700 -- 740 Power steering hose
POSTED BY
740_dan[SHOW ALL]
DATE
HTML
CITY
Portland
STATE
OR
COUNTRY
US
NOTE
Hose reattached with new clamp. Old clamp was ABA brand but no longer keeping grip. Norma clamp from dealer.

740 Power steering hose

Volvo 700 -- 740 Power steering hose
POSTED BY
740_dan[SHOW ALL]
DATE
HTML
CITY
Portland
STATE
OR
COUNTRY
US
NOTE
Texture shot of clamp impression, hose was completely compressed. "86" seems to mean it's the original hose when the car was built.

740 Power steering hose

Volvo 700 -- 740 Power steering hose
POSTED BY
740_dan[SHOW ALL]
DATE
HTML
CITY
Portland
STATE
OR
COUNTRY
US
NOTE
Cut off section: Note the cross-section shape matches the flange on reservoir that explains leak.

122 Wagon gas cap chain attachment

Volvo 120-130 -- 122 Wagon gas cap chain attachment
POSTED BY
nglasson221[SHOW ALL]
DATE
HTML
COUNTRY
NZ
NOTE
Gas cap chain attaches inside bottom of tube about 4" down.

Strange sound coming from front on bumps - AT-205

Volvo 200 -- Strange sound coming from front on bumps - AT-205
POSTED BY
first245[SHOW ALL]
DATE
HTML
CITY
Phoenix
STATE
AZ
COUNTRY
US

1992 240 shift lock problem

Volvo 200 -- 1992 240 shift lock problem
POSTED BY
javalion[SHOW ALL]
DATE
HTML
STATE
NC
COUNTRY
US
NOTE
Bad fuse.

Volvo intermission wiper switch

Volvo 140-160 -- Volvo intermission wiper switch
POSTED BY
getback[SHOW ALL]
DATE
HTML
CITY
Nashville
STATE
TN
COUNTRY
US

Looking UP at your 240 Strut Tower

Volvo  -- Looking UP at your 240 Strut Tower
POSTED BY
kittysgreyvolvo[SHOW ALL]
DATE
HTML
CITY
Blaine
STATE
WA
COUNTRY
US
NOTE
Replacing the crappy, yet failed URO/APA/Scantech strut mount garbage with Volvo/Boge factory upper strut mounts on that reliable, yet lovely 1991 240. While there is no rust, I'm about to slather on some undercoating to replace the undercoating that came off with strut mount replacement. After this image, in went the GT strut mount tower reinforcing plate and the reassemble strut assembly. No, I removed it from the top, tipped the assembly out without opening brake line and all the lower strut stuff. Easy to do with a good spring compressor or the IPD TME strut springs.

240 ATE Rear Brake Caliper Kit

Volvo  -- 240 ATE Rear Brake Caliper Kit
POSTED BY
kittysgreyvolvo[SHOW ALL]
DATE
HTML
CITY
Blaine
STATE
WA
COUNTRY
US
NOTE
A new kit to replace the brake pad slide rail pins and retaining circlips for the rear ATE brake calipers. If these are rusty on your Volvo 240, be safe and replace these. Be good to your Volvo 240 and it'll be good to you.

New Brushes in 240 Voltage Regulator

Volvo  -- New Brushes in 240 Voltage Regulator
POSTED BY
kittysgreyvolvo[SHOW ALL]
DATE
HTML
CITY
Blaine
STATE
WA
COUNTRY
US
NOTE
Soldered in new BOSCH brushes into the 1992 240 voltage regulator. I have a spare regulator in the trunk. You can see the owld worn down brushes. They'll remain in a toolbox for decades, I'm sure. Always use BOSCH brushes on your BOSCH alternator. Don't use the non-Bosch karp as they tend to use stiff brush insulators and press down much harder than stock on the soft copper armature contacts. Oooooh, you just MUST have that Volvo 240, yeah!!!!

What is this?

Volvo 200 -- What is this?
POSTED BY
PhoenixFire[SHOW ALL]
DATE
HTML
CITY
Blue Hill
STATE
ME
COUNTRY
US
NOTE
What is this blue plug just behind the left (passenger) head light

Zip-Tied Fan 3

Volvo 200 -- Zip-Tied Fan 3
POSTED BY
PhoenixFire[SHOW ALL]
DATE
HTML
CITY
Blue Hill
STATE
ME
COUNTRY
US
NOTE
How is the fan supposed to go?

Zip-Tied Fan 2

Volvo 200 -- Zip-Tied Fan 2
POSTED BY
PhoenixFire[SHOW ALL]
DATE
HTML
CITY
Blue Hill
STATE
ME
COUNTRY
US
NOTE
Was this a fan support?

Zip-Tied Fan 1

Volvo 200 -- Zip-Tied Fan 1
POSTED BY
PhoenixFire[SHOW ALL]
DATE
HTML
CITY
Blue Hill
STATE
ME
COUNTRY
US
NOTE
I found this today, I am beginning to think this car was in an accident. The fan was just wedged in there and zip-tied. I do not even know if it works yet.

Resoldered fuel tank

Volvo 120-130 -- Resoldered fuel tank
POSTED BY
onstottc[SHOW ALL]
DATE
HTML
CITY
Albany
STATE
OR
COUNTRY
US
NOTE
Resoldered Cracked filler neck. I can have the fuel tank filled!

Rubber plug passenger side trunk (Wagon)

Volvo 700 -- Rubber plug passenger side trunk (Wagon)
POSTED BY
ehkewley[SHOW ALL]
DATE
HTML
CITY
nashua
STATE
NH
COUNTRY
US
NOTE
Is it supposed to be punctured?

Regina Pump

Volvo 700 -- Regina Pump
POSTED BY
MattSk[SHOW ALL]
DATE
HTML
CITY
Keswick
STATE
VA
COUNTRY
US
NOTE
Regina Pump

71 142e volvo wiper motor

Volvo 140-160 -- 71 142e volvo wiper motor
POSTED BY
craigslist[SHOW ALL]
DATE
HTML
COUNTRY
US
Search criteria: pix_type=TECHNICAL. [CLEAR]
Showing 1921 through 1940 of 14003 matching exhibits.
<< <prev 92 93 94 95 96 97 98 99 100 101 102 103 104 105 106 107 108 109 110 111 112 next> >>


©Jarrod Stenberg 1997-2022. All material except where indicated.


All participants agree to these terms.

Brickboard.com is not affiliated with nor sponsored by AB Volvo, Volvo Car Corporation, Volvo Cars of North America, Inc. or Ford Motor Company. Brickboard.com is a Volvo owner/enthusiast site, similar to a club, and does not intend to pose as an official Volvo site. The official Volvo site can be found here.