Volvo RWD 700 Forum

INDEX FOR 1/2026(CURRENT) INDEX FOR 1/2003 700 INDEX

[<<]  [>>]


 VIEW    REPLY TO THIS MESSAGE    PRINT   SAVE 

More info 700 1990

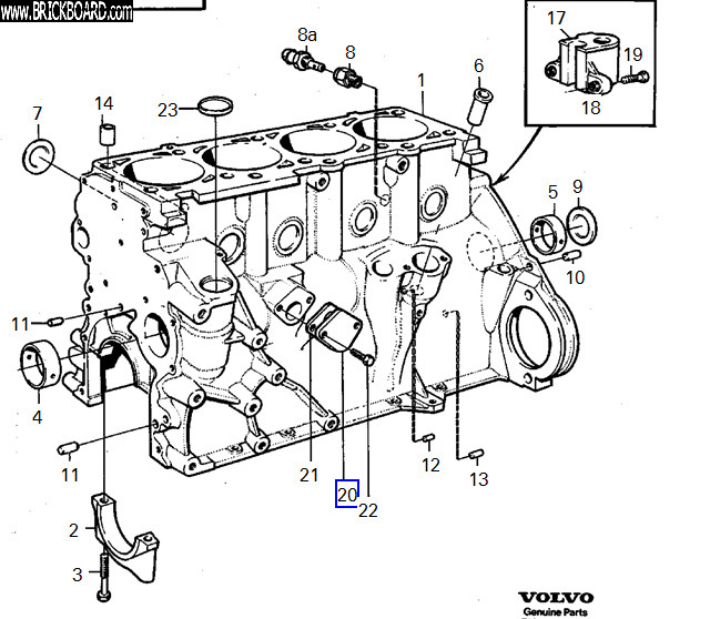
The wires are white-black and brown. All the usual items are accounted for: knock sensor, temp sensor, cold start...

The connector is down the block near a plate (20 in the diagram below) that I have never seen anything in before. It looks like it is only long enough to plug into what might go in place of the plate.

Question now is what can go in place of that plate?


--
Paul NW Indiana '89 744 Turbo 145K/ '90 745 turbo 127K






THREADED THREADED EXPANDED FLAT PRINT ALL
MESSAGES IN THIS THREAD

New Name that connector! [700][1990]
posted by  spasske  on Mon Oct 19 07:27 CST 2009 >


<< < > >>



©Jarrod Stenberg 1997-2022. All material except where indicated.


All participants agree to these terms.

Brickboard.com is not affiliated with nor sponsored by AB Volvo, Volvo Car Corporation, Volvo Cars of North America, Inc. or Ford Motor Company. Brickboard.com is a Volvo owner/enthusiast site, similar to a club, and does not intend to pose as an official Volvo site. The official Volvo site can be found here.