|
|
|
Fellow Brickboarders,
I am continuing with my research into a simple dual circuit brake conversion for all of us single circuit Volvo owners. I have located a Volvo dual curcuit master cylinder, with the help of some fellow brickboarders, that is a direct bolt in. Now I am looking at the front brakes. I was hoping someone out there has a four piston caliper and backing plate from a later model 120 or 1800 that I could borrow for some measurements and comparison. I would be glad to pay S&H (from inside the USA) if I could look at the parts. They do not need to be new or clean, and I will send them back as soon as I have the information I need. It appears from the parts manuals that the four piston caliper will bolt up too older Volvos with the correct backing plate, but I need both parts to confirm this theory.
As soon as I have all of the information together I will post it here so that anyone else who would like to convert to a dual circuit system will have the part numbers and simple instructions.
Thank you all
Oliver
66 1800S
|
|
-
|
|
|
I know this isn't your goal and it's already been discussed, but I *just* finished putting a 1800E/ES master cylinder and the necessary plumbing into my '66 122. The 140 master cylinders do not have a stop to limit the backwards movement of the ram, which would allow it to fall out into the cabin! I used an adaptor offered by ipd to mount the horizontal bolts to the existing vertical mount on the pedal box. I would have just drilled new holes but the pedal box is too narrow for both to fit without doing something silly like moving the pedal and master cylinder over an inch or so.
I thought about the dual diagnal system that's in my 180 and 140, but that seemed like a lot of work. Maybe later, though.
Unemployment is great. I can finally get these projects done that have been lagging for months now. Then again, I don't have a job. Maybe not that great.
Busy picture but you get the idea.

--
Justin 70 1800E, 66 122E, 71 145S Read vclassics!
|
|
-
|
|
|
Justin,
Thanks for the information. Could you please give me the information ie: part number and price of the adapter you picked up. I would like to include it as additional information. IPD does sell a dual curcuit master cylinder that is a direct bolt in to the single curcuit holes, but I always like to have as much information as possible. Did you use the triangular brake system, or did you connect the front brakes to one curcuit and the rear brake to the other??? Looks great.
Thanks for the input
Oliver
66 1800S
|
|
-
|
|
|
The spacer block is part # B187. Here it is installed. I rerouted one of the lines after this photo was taken.

It also came with 2 allen bolts, part # F365. They offer a kit that has a ram as well, but I just made one from a long carriage bolt with the head cut off and the end ground smooth. I don't recall the overall length, but 4" is plenty.

The MC that ipd sells will not fit, as far as I know. The dual curcuit they sell from the 140 has horizontal bolt holes, but no provision to limit backwards movement of the ram. This is accomplished in the 140 by the brake booster. There are places that do sell the dual circuit MC that has vertical holes, such as the partsbin.com, but it costs in the area of $225 and up.
I did not do the dual diagnal plumbing, but rather one circuit to the front and one to the rear. I've not driven it yet but I heard from many sources that no adverse rear brake behavior (i.e. premature lockup) should be expected.
--
Justin 70 1800E, 66 122E, 71 145S Read vclassics!
|
|
-
|
|
|
Justin;
Very good pix and info...this is EXACTLY what I've been looking for anyway...a couple of questions remain: Are those IPD's B187,F365 part nos. If the 1800 MC has no provision for keeping the piston from poping out upon return, is that bushing penetrating the sheetmetal (second pic) with circlip part of the spacer kit, or the back of MC?...and what about that tube the plunger goes through?...please explain...better yet, if the stuff is still apart, more pix would be great...including the butt end of the MC.
...and when you do your first road tests (please pick an appropriate place), including full lockup stops on light sand so that relative skid length can be compared (poor man's bias test), please let us know your findings and impressions! Thanks!
Cheers
|
|
-
|
|
|
Hi Ron,
The 1800 MC does have the circlip holding the whole kit and kaboodle in place. The adaptor is this...

I didn't take any 'before' pictures of the MC, but it is exactly as you see inside the pedal box. I actually tried to make an adaptor myself but that was a total disaster! Oh, yes, those numbers are ipd part numbers.
The tube the plunger goes into is part of the 1800 MC. The original looks like this, with the solid ram and collar to match up with the pedal.

The new one had just the tube out the back. I used the saddle shaped bracket from the old MC on the pedal and connected the 2 pieces with an adjustable length ram made from a long carriage bolt cut to size and ground smooth on one side. The 'old' one pictured is actually not the original single circuit, but a dual line one of a '67 1800 I parted out. I used it to mock up the lines and what not while waiting for the ipd order to arrive.
Does that make any sense? Anyway, if not, let me know. My writing is not the most clear.
--
Justin 70 1800E, 66 122E, 71 145S Read vclassics!
|
|
-
-
|
|
|
I made new stainless steel pistons for mine and started using the silicone fluid in clutch and brake. 20 years and no leaks, last year I had to do the clutch master and slave.
an easy option that inst; new is to add a little float with an audible alarm, That is of course not double circuit but at least it can warn you.
I took my drums in and they put on new shoes using the old backing plates. they arced them to actually fit. I liked their work so much I had them do a second set which I put away, the place soon after disapeared, asbestos issues, no doubt.
I also made a second set of pistons , thinking I would finish rebuilding a second set of calipers.
last summer I bought a 85 porsche 944 in that they use a hydraulic clutch and the clutch and brake systems share the master cylinder. the design there is such that if the brake master runs low, the clutch stops working first, which actually is a lot better than the brakes running dry with no warning , of course it will be dual circuit too. next summer I plan to get it working because it sat at least a dozen years. No garage so it's on hold due to it being too cold out there now.
I dont really want to mod my brakes that much but I think the audible alarm is a fairly easy solution and that would probably be enough to not make the mistake of running them dry. some more modern cars have the float switch thing so it can likely be found at a wrecker, or maybe it's sold through IPD or similar.
converting to silicone fluid does make the brakes a little bit mushy but I seem to do OK with that. it might not be the best solution but I think it helps the brakes not get so full of water so easily. I went though clutch master and slave seals regularly but after I went to silicone it was fine for 20 years. before I did that I was changing seals and trying different fluids. Usiually the girling type, but they all seemed to eat the clutch rubber seals within a year or two.
if you look at the clutch the fork moves in an arc and the piston is a straight linear motion so it adds a bit of sideload by design, and that can probably make the clutch slave's bore go a bit egg shaped over time.
|
|
-
|
|
|
Hi Oliver,
I appreciate your research into converting pre 68 120s or 1800s to dual brake systems. In the 1980's I drove my original 67 122s wgn to Stockton, CA. On slowing pulling into the driveway...NO brakes. In hindsight waiting for a 68 for factory dual brakes and headrests would have been good.
Do you have experience with hooking up an alternator on a b20 into a 122s, and/or a generator on a b18 in a 144?
Cheers, Don V
|
|
-
|
|
|
Don;
I may be able to help with electrical questions...I suggest you start a new thread...and be specific in your questions.
Jim;
ABS really only helps during panic/lock-up situationns AND where you need to still have some steering ability...sure, when you needed it, it might have been nice to have, because it MIGHT have saved you...you'll never know...but that's a lot of work and hardware to carry around for that hopefully rare occasion...Engineering an ABS into a 122 would require a significant effort...just give me a good working and well biased dual system and I'll do the threshold braking...I do drive the suspension pretty hard, but not 10/10ths around (or decreasing radius) curves where visibility is limited...there's just no future in it...for me or the car....maybe I'm just getting slower and/or wiser in my old age...
Patrick;
Go to: http://www.gcp.se, click on: Catalogue, then: pull down menus under the models, and step through index annd pages.
Cheers
|
|
-
|
|
Hi Ron, I do agree with you about ABS, too much work and I'm getting older too and wiser.
Regards,
Jim
|
|
-
|
|
The problem with all these 122S (brake) upgrades is where do you stop with upgrading ? Personally I would be happy to have ABS on my Amazon too !!
I had only one accident in my long motoring life and that was in 1967 in Ford Cortina GT in Europe. I went, as usual, fast through a certain corner and when at the the centre of the corner I saw a car coming from the other direction. I could have continued at that speed without any problems (as ussual) and continued on my side of the road, however I pannicked, braked, locked the front brakes and the car drifted to the other side of the road and hit the car head on. Luckily no one was hurt but one car written off and my car could be fixed. That was a good lesson and that had started my interest in the Safe Volvo cars. Ofcourse it was entirely my fault, I was driving to fast through that corner but ABS, if available at that time could have saved me under that condition.
Recently I watched the classic Targa New Zealand a corner with gravel on the road, a mixture of classic- and modern cars were participating. At least 5 cars lost it completely in that corner because they locked the front brakes and slid off the road in the paddock - geat fun for the public - however the modern cars with ABS managed to steer easily through the corner while braking hard. This and my own accident in 1967 showed me the great value of ABS.
Now, how about installing ABS in a 122S ?
Jim Hekker
volvoadventures.com
New Zealand
|
|
-
|
|
|
So far what I have learned, is that the four piston calipers can be easily mounted if you swap out the caliper backing plate. So far the only place that seems to have this backing plate is CVI, but I am sure that others have the part. I think that the part number (from CVI anyway) is 668333/34 left/right. As for the dual circuit master cylinder, IDP has the correct unit WS5A1003 for $138.00, and Scandcar Volvo has the master cylinder for 153.74 euros + S&H.
As mentioned in another post, the easiest dual circuit system to create is to install the dual circuit master cylinder and route the front brake line directly to the front chamber of the master cylinder. The rear brake line will remain as is and go to the rear chamer of the master cylinder. Total cost of conversion will be about $150-$200.
I am now getting together the information for the prefered dual circuit system that allows both front brakes and one rear brake per circuit. This design is prefered as it is much safer. I will report all my findings and costs here as soon as I have them.
Oliver
66 1800S
|
|
-
|
|
|
Oliver;
I fail to see the big deal about swapping out the backing plates (are these what Martin refers to as consoles?). These are just sheet metal, and if I was doing a brake upgrade, I'd probably go ahead and just cut them to accomodate the four piston calipers....easy...my big fear is that the steering knuckles need to be replaced also...that would probably kill the project for me...
For reference and My info, are you calling a 140 master the "correct" master cylinder? Don't forget, it was mounted to, and intended to work with a vac assist unit...maybe not a problem operation vise, but I recall a mounting issue with some dual master cylinders...they have mounts at 3 and 9 o'clock, and the holes in a 122 are at 12, and 6 o'clock. It would seem to me it a 140 master was suitable, that would be desireable since it should be easily available and not too expensive.
Here is my attempt to show the relavant exploded front suspension diagram [source: http://www.gcp.se], so we can refer to the components by their number designation:
/Section_06_page_005.gif)
Cheers
|
|
-
|
|
Hi Ron, I went to the gcp.se site but I couldn"t find the technical drawings, looked around a bit too, mind telling me where they were?
|
|
-
|
|
|
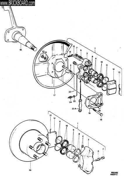
The console, for some strange reason renamed bracket in the B20 catalogue, is displayed on the brake page, not on the posted front suspension page. Also note that Oliver had an 1800, not a 122. The diagram below shows a B20/four pot caliper front brake. The console/bracket is part nr 16.
Backing plates also differ, yes, but I think the existing plates can be modified to accept the later brakes. Brake line support is the big difference but I don't remember if the little console still was welded to the backing plate, like the single circuit style, or mounted somewhere else on the spindle. It isn't that obvious in the catalogue diagrams.
/Martin
--
'65 121, '73 165
|
|
-
posted by
someone claiming to be cdu
on
Thu Jan 30 10:17 CST 2003 [ RELATED]
|
|
I'm pretty sure that there are 2 different 2 circuit
setups for the 122. My 122 is a late 67 model and it
has a dual circuit setup but one line goes to the front
brakes the other goes to the rear. Not good if you
lose the brakes on a twisty road and slam on the brakes
without knowing that only the rears work. Later they
went to the 4 pot front brakes where 2 circuits go to
each of the fronts and the rears are single but separate
circuits.
The early dual circuit system is probably good enough
for an emergency type situation. Heck, I've driven my
122 on just the E-brake before, but not far and I knew
ahead of time that I didn't have any real brakes.
chris
|
|
-
|
|
|
You're absolutely right, there was a dual circuit hybrid between the single circuit and the 69-70 fully diagonal system. I'm not sure whether your system was used in all countries - I at least haven't seen a car with it.
I automatically presumed Oliver was going for the diagonal system but converting to your axle wise setup of course would be much easier since he won't have to swap out caliper mounting consoles, calipers, mount dual brake lines at the front suspension and so on. All that's needed is a few brake line mod's in/around the engine bay to separate the two circuits and, if wanted, add the differential pressure sensor/failure lamp setup. Maybe the brake light switch is mechanic instead of hydraulic in your system, too?
/Martin
--
'65 121, '73 165
|
|
-
|
|
|
Chris;
You can consider yourself lucky, because you have the full "dual-diagonal braking system" ala 140! I don't think they produced too many of those, but that would certainly be the ultimate brake upgrade for a 122...the big questions remain: What must be changed in order to mount four pot calipers, and is all of it easily/reasonably available etc. ...whereas only the master and plumbing need to be upgraded for a "front/rear dual brake system"...a lot less work and expense, and therefore maybe a lot more intereting to us "single system" brakers. Maybe you could take some pix of your front calipers and spindles etc.
Oliver; Keep plugging!
Cheers
|
|
-
|
|
|
I'm not that lucky -- it is just a dual circuit brake
system with one going to the front to wheels and the other
going to the rear two wheels. I'm pretty sure I've got
the 3 piston brakes up front and the self-adjusting drums
rear. It also has a mechanical brake sensor instead of
the crazy hydraulic pressure sensor thingy that a friend's
122 has.
I think the only way forward with a 122 is to use 1970-73
1800 running gear.
chris
|
|
-
|
|
|
I converted my '65 121 this way a few years ago. You'll need the caliper mounting flanges (consoles) out of a '69-'70 121/122/123, part no 673581 (left) and 673582 (right). Definitely not avaliable at the Volvo dealer today, though... Luckily, calipers (Girling) are identical in the 140, part no 684432/684433 left/right, and therefore should be easy to find.
The brake line/hose setup is completely different in dual circuit cars and the most time consuming part of the conversion. Finding a complete donor car will make this part of the work m-u-c-h easier. One really irritating detail: the four tiny consoles welded to the cross member, supporting the lines were they meet the hoses. Switching crossmembers or cutting those consoles out and welding in your own car, that's the question.
Also don't forget the pressure regulator valves in the rear circuits. There are a few different calibrations depending on body (sedan/wagon) and rear brake cylinders. One more reason to pick everything out of one car. I've also been told late rear brakes (1968-70?) were self adjusting and a bit less troublesome. Unfortunately I don't know more about this since I converted my car with disc brakes instead.
/Martin
--
'65 121, '73 165
|
|
-
|
|
|
Martin,
Thanks for the input. So - if I am hearing you correctly, with the backing plate and four piston caliper from a later model Volvo, I can put the four piston calipers on the front of the 1800. I was planning on buying a SS line kit for a later model 1800, which should have all the necessary pre-bent tubing for the front and rear. Where did you mount the pressure regulators, and do you think the system would be servicable with out them??? The idea here is to give everyone with a single circuit system an inexpensive safer brake system alternative.
Thanks
Oliver
66 1800S
|
|
-
|
|
|
(Also see my reply to cdu above)
Sorry, I only read the head title and didn't notice your car was an 1800 but the conversion procedure should be somewhat similar anyway. Cdu reminded of the simple dual circuit system used at least on some 1968 cars and this would be a much easier modification because of reasons described in that reply. That system used the old front caliper setup and only added one pressure regulator (brake valve) in the single rear wheel circuit, mounted under the car.
Unfortunately, the 1800 brake system changes were many and difficult to overlook:
1: single circuit system. No pressure regulator. One style rear wheel cylinders until ch nr 6979, another from nr 16500 and a third used sporadically together with the two others in between. Front calipers also appear in three different versions. Cars with ch nr 12394-12396, 12418-12435 and 12437- on have the latest style, used also in the dual circuit B18 systems.
2: dual circuit system on B18 cars until ch nr 28299. New main cylinder, pressure regulator added, new style rear wheel cylinders again, brake light switch mecahnical instead of hydraulic, differential pressure (failure warning) valve introduced
3: dual circuit system on B20 cars, ch nr 28300-30000. diagonal instead of axle split, new style pressure regulators (one regulator in each rear wheel circuit), new style wheel cylinders again, new style brake booster/main cylinder (main cylinder mounted on booster instead of separately) and of course new style (four pot) calipers.
4: dual circuit system on B20 cars from ch nr 30001. This includes all ES cars. Discs instead of drum brakes (rear), new pressure regulators. Again...
New style doesn't have to mean more than slight changes and a new part nr. Rear wheel cylinder diameters however were changed at least two times to match new main cylinder setups and thats also why the pressure regulators were changed (new calibration). I don't think those combinations are t-h-a-t important but of course original setups would be preferrable.
Take your time and decide what stage you want to reach. A simple dual circuit system like the B18 setup or the latest evolution B20, diagonal split setup? Did you get your new main cylinder out of a B18 car with the separate brake booster or is it the combined B20 car unit?
I think this is just about all the help I can provide, 1800 isn't really my division. But feel free to ask, of course.
/Martin
--
'65 121, '73 165
|
|
-
|
|
|
The 122 already has one pressure regulator on it. The other one should be
mounted next to it. You have to have them or the rear wheels will break
loose first and if you are on a curve, could throw you into a double
rearender (where you hit the back of the car in front of you with the
back of your car).
--
George Downs, The "original" Walrus3, Bartlesville, Oklahoma
|
|
-
posted by
someone claiming to be ohiwish
on
Wed Sep 23 17:24 CST 2020 [ RELATED]
|
|
Hey are you still there? I'm putting an '71 P1800 rear axle under my '68 122 wagon. Can you reply if you are still on the planet?
Jim 360-265-5023
|
|
-
|
|
|
Hello,
Unfortunately, George passed away several years ago and he will be sorely missed.
I spoke to him a few times on the phone over the years and he always gave off good vibes and was always helpful.
We have done 3 disc brake conversions on 122 station wagons over the last 30 years and I would be glad to help you figure out how do it safely.
Do you want me to give you a call?
--
Eric Hi Performance Automotive Service (formerly OVO or Old Volvos Only) Torrance, CA 90502 hiperformanceautoservice.com or oldvolvosonly.com
|
|
|
|
|