|
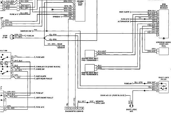
I think I'm clear on your description of where the microswitch goes. There's a discrepancy however between my Haynes and Mitchell schematics, which I'm hoping you can clarify. (Someone pointed out where I can post images while the Gallery isn't functioning, which makes it possible to illustrate this).
Here's the Haynes schematic:

and here's the Mitchell schematic:

On the Haynes schematic, swapping the left and right circuit sections above the shift lock relay (and moving the indicated upper shift lock relay pin numbers with those circuit section swaps) would make the two schematics agree roughly. Would both then jive roughly with your Volvo wiring manual?
Thanks,
--
David Armstrong - '86 240(350k km?), '93 940T(270k km), '89 240(parts source for others) near Toronto
|