Volvo RWD 200 Forum

INDEX FOR 1/2026(CURRENT) INDEX FOR 11/2003 200 INDEX

[<<]  [>>]


 VIEW    REPLY TO THIS MESSAGE    PRINT   SAVE 

Charging Problem 200 1981

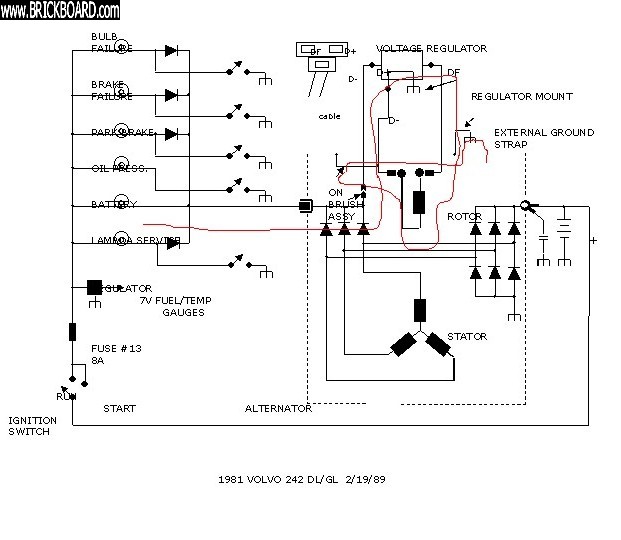
Yes, that's correct, only some of the lights should come on. However, the BATT light should be one of them. The brushes sound like they are ok but the following test will tell.

Remove the small red trigger or exciter wire from the back of the alternator and ground it to the chassis. Turn the key to the run position. The BATT light should come on.

If is does not light then the problem is in that wire which goes to the instrument cluster.

If it does light then the problem is with the brush assembly, the alternator, or the ground wire.

The included diagram shows the current path.
The current goes from the BATT light to the plug on the back of the alternator.
Then through a contact labeled "on brush assembly" to the D+ terminal on the regulator.
Then out of the regulator's DF terminal to one brush, through the rotor coil, and out the other brush to the alternator case (dotted line).
From the alternator case through the ground wire to the chassis.







THREADED THREADED EXPANDED FLAT PRINT ALL
MESSAGES IN THIS THREAD

New Charging Problem [200][1992]
posted by  iamhives  on Wed Apr 17 21:41 CST 2013 >


<< < > >>



©Jarrod Stenberg 1997-2022. All material except where indicated.


All participants agree to these terms.

Brickboard.com is not affiliated with nor sponsored by AB Volvo, Volvo Car Corporation, Volvo Cars of North America, Inc. or Ford Motor Company. Brickboard.com is a Volvo owner/enthusiast site, similar to a club, and does not intend to pose as an official Volvo site. The official Volvo site can be found here.